(
)
詢價車
認識蜂巢氏
認識蜂巢氏
品牌故事
官方消息
活動資訊
安心驗證
合作項目
經銷批發
蜂蜜
龍眼蜂蜜
玉荷包蜂蜜
百花蜂蜜
樹蘭蜂蜜
花粉
禮盒
飲品/點心
頂級蜂產品
機能性飲品
蜂產品原料
冷凍乾燥代工
飲品充填代工
代工資訊
線上購物
聯絡我們
銷售據點
LA ONE
順億鮪魚(全台門市)
Mia C'bon 高雄義享店
平凡五金行
蜂巢研究氏
蜂蜜知識+
料理靈感+
原料知識+
繁體中文
詢價車
(
)
繁體中文
繁體中文
×
產品搜尋
首頁
最新消息
安心驗證
農產品產銷履歷驗證證書
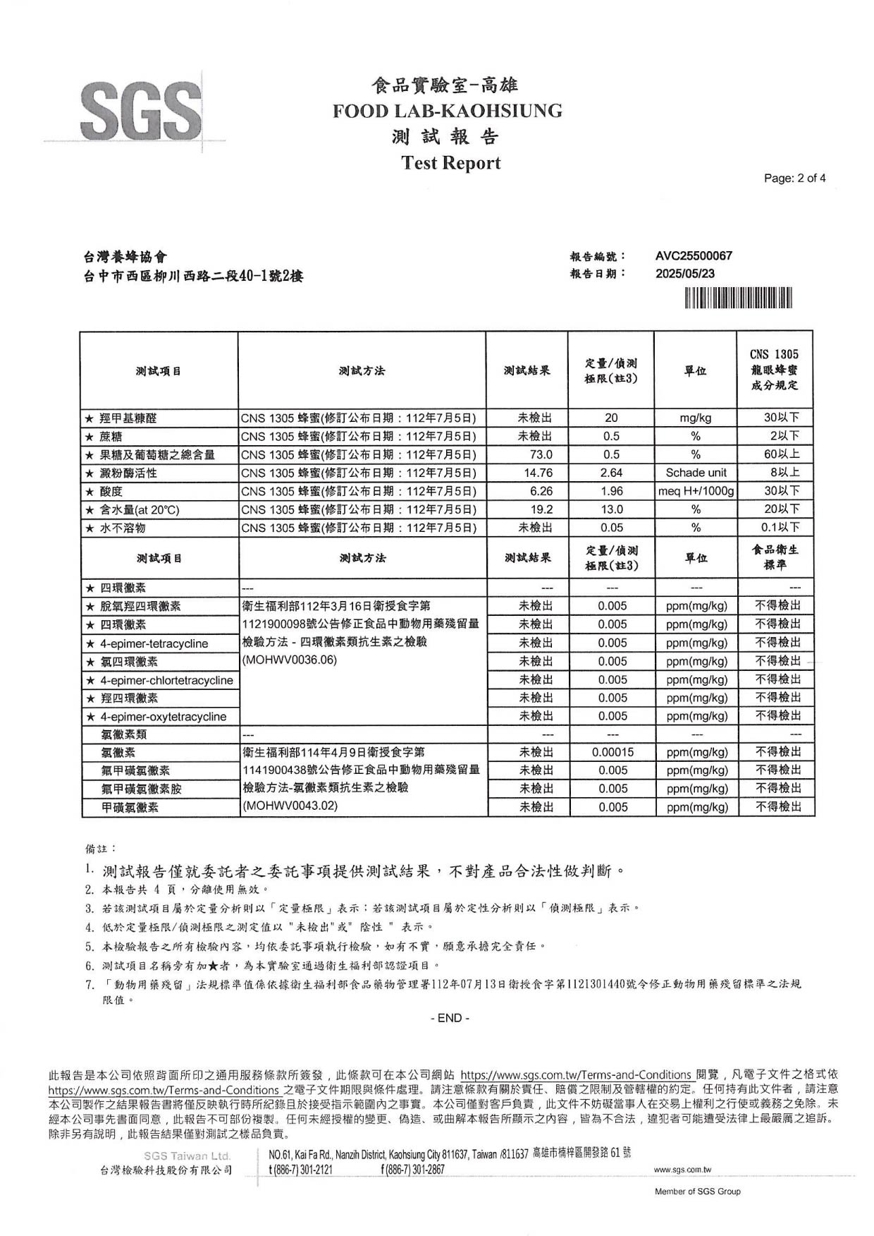
2025 產銷履歷-龍眼蜂蜜
2025 產銷履歷-龍眼蜂蜜
2026-01-27
回上頁
立即購買